Plazminė membrana, citolema, plazmolema (gr. plasma – lipdinys, darinys, lemma – apvalkalėlis) – visų organizmų ląstelių dengiamasis sluoksnis, reguliuojantis molekulių srautą į ląstelės vidų ir iš jos.

Funkcijos
Ląstelę supanti membrana nėra vien mechaninis barjeras – dėl ją sudarančių medžiagų įvairovės plazmolema prisitaikiusi atlikti daug ne tik naudingų, bet ir būtinų ląstelei funkcijų. Membranos unikalių savybių dėka, ląstelė atskiriama nuo aplinkos, tačiau vykdo transportą, apsaugoma nuo atšiaurių aplinkos sąlygų, turi galimybę komunikuoti, efektyviai atlikti gyvybines funkcijas ir t. t.
Izoliacija
Izoliacija, t. y. ląstelės vidinės ertmės atskyrimas nuo ją supančios aplinkos, – viena svarbiausių plazminės membranos funkcijų. Kad skirtingų organizmų ir audinių ląstelės, net esančios tokioje pačioje aplinkoje, vykdytų tik joms būdingas funkcijas, jos turi būti apsaugotos nuo laisvo medžiagų judėjimo ir maišymosi. Šią funkciją atlieka fosfolipidai dvigubu molekulių sluoksniu apgaubdami ląsteles ir apsaugodami jas nuo medžiagų išsiliejimo (reikalingų medžiagų išėjimo iš ląstelės) ar nuo nereikalingų medžiagų patekimo į ląsteles. (plačiau žr. Fosfolipidai)
Augalų, grybų ir bakterijų ląsteles be plazminės membranos supa ir tvirta sienelė, tačiau jos funkcija daugiau mechaninė – tvirtumui ir ląstelės formai palaikyti. Tuo tarpu membrana atlieka ir labai svarbią selektyvaus pralaidumo funkciją.
Selektyvus (atrankus) pralaidumas
Membranas sudarančio fosfolipidų sluoksnio dėka, tik kai kurios medžiagos (vanduo, jame tirpios smulkios molekulės ir mažos neutralios dalelės, pvz., deguonis, bei lipiduose tirpios medžiagos) gali laisvai judėti per membraną. Baltymai ir angliavandeniai laisvai į ląstelę patekti negali. Taip ląstelės vidinė ertmė patikimai apsaugoma nuo užteršimo nereikalingomis medžiagomis.
Reikalingos molekulės, paprastai nepraeinančios pro membraną, yra pernešamos baltymų transporterių (nešiklių ir kanalų). Baltymai į ląsteles patenka tiek per nešiklius, tiek endocitozės būdu.
Medžiagų transportas
Kad ląstelė egzistuotų turi vykti nuolatinė medžiagų apykaita tarp ląstelės ir jos aplinkos – medžiagos, reikalingos cheminėms reakcijoms vykti turi būti „importuojamos“ iš ląstelės aplinkos, o įvairių procesų metų susidarę šalutiniai produktai – pašalinami, nes jie ne tik nereikalingi, tačiau kai kurie gali net apnuodyti ląstelę. Medžiagos į ląstelę ir iš jos gali būti transportuojamos tiek pasyviosios (kai papildoma energija nereikalinga), tiek aktyviosios pernašos būdu (pernešimui naudojami ląstelės energijos ištekliai). Medžiagas perneša keli procesai:
- difuzija – savaiminis molekulių judėjimas pagal koncentracijos gradientą (pasyvioji pernaša; per ląstelės membraną – tik smulkioms vandenyje tirpioms ir riebaluose tirpioms molekulėms);
- osmosas – difuzijos atmaina; vandens molekulių judėjimas per pusiau pralaidžią membraną;
- baltyminiai nešikliai ir kanalai (aktyvioji ir pasyvioji pernaša)(žr. „Baltymai“);
- endocitozė – procesas, kurio metu prie ląstelės išorinio paviršiaus esančios medžiagos ar net kitos ląstelės apgaubiamos ląstelės išorine membrana ir susidariusi membraninė pūslelė patenka į ląstelės vidų;
- egzocitozė – procesas, kurio metu šalinamos medžiagos, „supakuojamos“ į membranines pūsleles, kurios susilieja su išorine ląstelės membrana ir išleidžia savo turinį į aplinką.
Apsauga
Tiek vienaląsčiai, tiek daugialąsčiai organizmai nėra apsaugoti nuo staigių aplinkos sąlygų pasikeitimų. Dažnai pasikeitusios pH sąlygos, druskų ir jonų pusiausvyra kelia grėsmę ląstelei ir jos vidinėje ertmėje vykstančioms reakcijoms. Tačiau membrana prisitaikiusi atlikti ir apsauginę funkciją ir pražūtingų pasekmių ląstelei galima išvengti. Svarbiausia membraninė struktūra, reikalinga apsauginei funkcijai vykdyti, – glikolipidai ir glikoproteinai. Šių medžiagų „uodegėlės“, sudarytos iš įvairių cukrų, padengia ląstelės paviršių sudarydamos sluoksnį, ypač svarbų ląstelei apsaugoti nuo stiprių pH svyravimų.
Forma
Pati membrana – skystas darinys, kuris pats neturėtų tiesioginės įtakos ląstelės formos palaikymui, tačiau fosfolipidų dvisluoksnis su kitais savo sandaros elementais yra labai svarbus kitų baltyminių darinių tvirtinimuisi. Pvz., tokia ląstelės citoskeleto dalis kaip aktinas tvirtinasi prie membranos struktūrinių elementų ir sudaro aktininio pomembranio (žinomo ir kaip ląstelės žievė) ir membranos kompleksą, kuris yra mechaniškai tvirtas ir suteikia ląstelei būdingą pastovią formą. Tokie aktino ir membranos kompleksai būdingi kai kuriems pirmuonims, mikrogaureliams. Kiti citoskeleto elementai (mikrotubulės ir tarpiniai filamentai) nevaidina svarbaus vaidmens ląstelės formai palaikyti, tačiau yra svarbūs kitiems ląstelėms procesams.
Formos suteikimas ląstelei svarbus audinių formavimuisi, jų darniam veikimui; daugelis ląstelių, taip pat ir žmogaus organizme, savo forma prisitaikiusios atlikti specifines funkcijas, pvz., neuronai turi ilgas ataugas, kad galėtų perduoti signalą dideliais atstumais, ir t. t.

Be to, formą ir stabilumą suteikti svarbu ir audiniams. Prie membranos darinių kabinasi įvairūs baltymai, padedantys sujungti ląsteles, kad jos galėtų ne tik tiesiogiai komunikuoti viena su kita, tačiau ir apsaugantys nuo išsiliejimo tarp ląstelių sluoksnių ir panašiai. Tai ypač svarbu epitelio ląstelių sluoksniams, atskiriantiems skirtingus skysčius, pavyzdžiui, išklojančioms žarnų sieneles.
Atpažinimas
Tam, kad organizmo audiniai ir ląstelės veiktų darniai, jos visų pirma turi atsidurti reikiamoje organizmo vietoje ir būti nuolat reguliuojamos išorinių veiksnių (kitų ląstelių darbo ir tt.). Abu šie dalykai pasiekiami padedant membranose esantiems receptoriams – per juos ląstelės gali atpažinti vietas kitas ir kooperuotis į bendrus kompleksus, ląstelės, susijusios su imuniniu atsaku atpažįsta užkrėstąsias, be to, receptoriai priima signalus, siunčiamus kitų organizmo ląstelių, ir adaptuoja ląstelės procesus taip, kad organizmas veiktų darniai.
Katalizė
Membranose esama baltymų, kurie atlieka fermentinę funkciją, t. y. katalizuoja kai kurias chemines reakcijas. Šių baltymų katalizuojami procesai dažnai labai svarbūs ląstelės ir viso organizmo veikimui, pavyzdžiui, gavus signalą iš kitų organizmo ląstelių, jog trūksta vienos ar kitos medžiagos, membranoje esantys fermentai gali greitai suaktyvinti tai medžiagai gaminti naudojamą reakciją ir jos kiekis organizme bus greitai atstatytas.
Sandara
Visų biologinių membranų sudėtis panaši: fosfolipidai ir baltymai dominuoja visose membranose, tačiau tarp skirtingų ląstelių šie komponentai varijuoja. Skirtinguose organizmuose ar net skirtinguose to paties organizmo audiniuose ląstelės vykdo skirtingus procesus, todėl joms reikalingi specifiški baltymai ir fosfolipidai.
Panašūs skirtumai pastebimi ir skirtingose tos pačios ląstelės organelių membranose. Skirtingos ląstelės dalys atlieka skirtingas funkcijas, tam tikruose organelėse reikalingi vis kitokie baltymai, skiriasi jų membranas sudarančių fosfolipidų molekulės.
Skirtingos membranos (ypač tos pačios ląstelės viduje) dažnai apsikeičia komponentais per transportines pūsleles. Šie fosfolipidų dvisluoksnio dariniai atskyla nuo vienos membranos ir nesunkiai susilieja su, pvz., organelės-taikinio, membrana; jos sudėtyje buvę baltymai, fosfolipidai ir kitos medžiagos pasklinda „svetimoje“ membranoje.
Fosfolipidai
Fosfolipidai – lipidų klasei priklausančios medžiagos; pagrindinė biologinių membranų sudedamoji dalis.
Skirtingose membranose randami skirtingi fosfolipidai. Tai paaiškinama tuo, jog įvairios ląstelės vykdo skirtingas funkcijas, kurių specifiškumas atsiranda dėl skirtingų baltymų, prisijungusių prie fosfolipidų „galvučių“. Skirtingos sandaros fosfolipidų molekulės (besiskiriančios radikalu prie fosfato grupės) linkusios prisijungti tik joms specifinius baltymus, todėl ir pačių fosfolipidų molekulės varijuoja tarp skirtingų membranų.
Panašūs skirtumai atsiranda ir tarp skirtingų eukariotų ląstelėse esančių membraninų organelių (žr. Membraniniai organoidai: membranų ypatybės).
Fosfolipidų sandaros skirtumai atsiranda ir dėl skirtingų jų sudėtyje esančių riebalų rūgščių molekulių (skiriasi tankis, masė ir kitos savybės).

Struktūra
Fosfolipidų molekulės sudarytos iš glicerolio, riebalų rūgščių ir fosfato grupės. Fosfatas – polinė molekulė, kurios dėka ją turintis fosfolipido molekulės galas turi hidrofilinių savybių ir yra vadinamas hidrofiliniu galu. Riebalų rūgštys turi hidrofobinių savybių, todėl iš jų sudaryta fosfolipido molekulės dalis vadinama hidrofobine.
Savybės
Normaliomis salygomis fosfolipidai sudaro dvisluoksnį: hidrofilinės (polinės) galvutės nukreiptos į ląstelės vidaus ir išorės skysčius, o hidrofobinės (nepolinės) uodegėlės – į membranos vidų, t. y. atsuktos vienos į kitas. Taip pat fosfolipidų amfipatinė struktūra (kai ta pati molekulė turi ir hidrofilinę, ir hidrofobinę dalis) lemia membranų savybę tik selektyviai praleisti medžiagas.

Svarbu, jog fosfolipidų molekulės viena kitos atžvilgiu susideda taip, jog sudaro uždarą pūslelę (energetiškai palankesnė būsena).
Viena svarbiausių fosfolipidų savybių – skystumas. Normaliomis sąlygomis biologinės membranos yra skysčiai – būsena, kuri būtina daugeliui procesų, pvz., difuzijai, vykti.
Pralaidumas
Dėl ypatingos savo sandaros, fosfolipidų dvisluoksnis leidžia vykti tik kelių rūšių medžiagų difuzijai. Tai:
- visos riebaluose tirpios molekulės (hidrofilinės fosfolipidų galvutės šioms dalelėms judėti netrukdo, o hidrofobiniame sluoksnyje jos lengvai ištirpsta);
- smulkios vandenyje tirpios ir dujų neutralios molekulės – pvz., deguonis, azotas, laisvas anglies dioksidas. Būdamos mažesnės už riebalų rūgščių molekules šios dalelės lengvai „pralenda“ pro membraną.
Dėl hidrofilinių savybių ir molekulių stambumo pro membraną neturi galimybės laisvai difunduoti baltymai, angliavandeniai ir kt. medžiagos. Joms pernešti membranose yra įvairių baltyminių nešiklių, kurie tiek aktyviosios, tiek pasyviosios pernašos būdu leidžia kai kurioms stambesnėms medžiagoms judėti į ląstelę ir iš jos.
Pro membranas nepraeina ir jonai. Nors jų matmenys ir maži, tad jie galėtų pralįsti pro fosfolipidų tarpus, tačiau praeiti negali, nes turi krūvį, o hidrofobinis fosfolipidų sluoksnis nepraleidžia jokių molekulių, turinčių krūvį.
Reikšmė
Unikalios fosfolipidų savybės ląstelėms yra labai palankios. Dėl ypatybės sudaryti pūsleles, fosfolipidų sluoksniu apgaubtos ląstelės vidinė ertmė patikimai atskiriama nuo išorės, todėl svarbios reakcijos yra mažiau veikiamos aplinkos sąlygų ir gali netrukdomai vykti. Be to, dėl selektyvaus pralaidumo ląstelės turi galimybę pasisavinti tik tas medžiagas, kurių joms reikia. Fosfolipidų skystumas sudaro sąlygas veikti kitiems membraniniams kompleksams, kurie yra ypač svarbūs ląstelės reakcijoms ir gyvybei palaikyti. Tik dėl membranų skystumo laisvai gali judėti ir atlikti funkcijas membraniniai baltymai ir kt.
Baltymai
Baltymai – plazminės membranos dalis, be kurios ląstelė negalėtų funkcionuoti. Nors jie nėra pagrindinis membranų struktūrinis vienetas, baltymai atlieka keletą labai svarbių funkcijų be kurių fosfolipidai vieni netiktų biologinėms membranoms sudaryti.
Nors baltymų molekulių membranose yra gerokai mažiau nei fosfolipidų, jos yra daug didesnės ir sudaro apie 50 % membranos masės.
Funkcijos
Visų pirma, šie polipeptidai palaiko membranos struktūrą – neleidžia jai pernelyg išskysti ir taip padeda efektyviai vykdyti savo funkcijas. Be to, baltymai vykdo daugelį ląstelės egzistavimui būtinų procesų. Pagal atliekamą funkciją membraniniai baltymai gali būti suskirstyti į kelias grupes:
- transporteriai (nešikliai ir kanalai) – vykdo molekulių pernašą į ląstelę ir iš jos; būtina efektyviai medžiagų apykaitai vykti, o be jos ląstelė negautų energijos, negalėtų pašalinti kenksmingų medžiagų
- receptoriai – padeda medžiagoms ir kitoms ląstelėms atpažinti viena kitas; būtina susibūrimo į audinius procesams, ląstelinių procesų reguliavimui
- fermentai – katalizuoja chemines reakcijas (pvz., lipidų sintezę); yra išsidėstę membranos vidinėje pusėje
- „linkeriai“ – sujungia atskirus baltymus taip sudarydami sąlygas jiems veikti kartu
Biologinėse membranose yra dviejų rūšių baltymų: integraliniai (membraną perveriantys) ir periferiniai (esantys už membranos).
Integraliniai (membraną kertantys) baltymai

Šie baltymai turi tiek hidrofilinę, tiek hidrofobinę dalis, todėl gali įsiterpti į hidrofobinę fosfolipidų sluoksnio dalį, o hidrofilinius galus „iškišti“ už ląstelės ribų. Tai sudaro sąlygas sąveikauti ląstelės vidiniam ir išoriniam paviršiui.
Dažniausiai membraną perveriantys baltymai veikia kaip pernešėjai, t. y., sudaro baltyminius kanalus ar nešiklius medžiagų pernašai vykdyti. Kanalai daugiausia perneša krūvį turinčias medžiagas, jonus (svarbu nervinio impulso susidarymui sklindant signalui neuronu). Nešikliai naudojami pernešti baltymams, jonams ar angliavandeniams pagal ar prieš jų koncentracijos gradientą (pasyvioji ir aktyvioji pernaša).
Periferiniai baltymai (baltymai už membranos)
Šie baltymai dažniausiai laikosi „prikibę“ prie kitų, membraną kertančių, baltymų, taip pat prie lipidų ir glikolipidų (lipidai su prikabintais angliavandeniais, dažniausias esantys ant ląstelės paviršiaus).
Periferiniai baltymai ląstelėje reikalingi sudaryti reikiamiems krūviams (pavyzdžiui, tai gali būti labai neigiamai įelektrinti baltymai ir ląstelės viduje sudaryti neigiami krūvį; krūvių skirtumai dažnai reikalingi įvairioms reakcijoms ir procesams vykti). Taip pat jie veikia kaip signalai (receptoriaus priimtą signalą pasiunčia toliau į ląstelę).
Glikolipidai
Glikolipidai – molekulės sudarytos iš lipidų, susijungusių su angliavandenių „uodegėle“. Membranoje nepolinis (lipido molekulės) galas yra įsispraudęs tarp fosfolipidų, o prie jo prisikabinęs cukrus plūduriuoja už membranos esančiame skystyje. Glikolipidų angliavandenilinės „uodegėlės“ – hidrofilinės, todėl sąveikauja su ląstelės išorine aplinka.
Glikolipidai randami visų gyvūnų plazminėse membranose (taip pat ir kai kuriose organelių membranose), tačiau išskirtinai išorinėje membranos dalyje (citoplazmos pusėje jų nėra).
Šios savybės svarbios kelioms ypatingoms ląstelei funkcijomis vykdyti.
Funkcijos
Atpažinimas – ląstelės atpažįsta vienos kitas pagal unikalius, tik joms būdingus glikolipidus. Tai labai svarbu ląstelių tvarkingam būrimuisi į audinius, ypač embrioninio vystymosi metu.
Apsauga – dėl unikalių savybių glikolipidų molekulės, sudarydamos vientisą ląstelės paviršių dengiantį sluoksnį, apsaugo ląsteles nuo staigių ir itin nepalankių aplinkos sąlygų pasikeitimų, kaip žemas pH, virškinimo fermentai ir pan.
Krūvio pokyčiai – glikolipidų poliniai galai dažnai yra stipriai neigiamai įkrauti, todėl padeda netoli ląstelės paviršiaus suburti svarbius kai kuriems procesams jonus, pvz., Ca2+.
Taip pat šios dalelės turi savybę sąveikauti viena su kita sudarydamos vandenilinius ryšius ir dėl van der Valso (vok. van der Waals) jėgų. Manoma, kad polinkis tarpusavyje sudaryti ryšius šioms molekulėms suteikia galimybę susikooperuoti į stabilius lipidinius darinius (angl. lipid rafts) išorinėje membranos pusėje, kurie svarbūs vientisiems ląstelių sluoksniams audiniuose sudaryti ir kt.
Neigiamas poveikis
Nepaisant naudingų ląstelei glikolipidų savybių, kai kurie jų linkę padėti bakteriniams toksinams patekti į organizmą. Pavyzdžiui, vienas gangliosidų (angl. gangliosides) grupės glikolipidas padeda bakteriniam toksinui patekti į plonosios žarnos ląsteles ir sukelia stiprų viduriavimą.
Steroidai (cholesterolis)

Steroidai – lipidų grupei priklausančios medžiagos; cholesterolis – vienas steroidų, vaidinančių svarbų vaidmenį plazminėje membranoje. Kitose ląstelės membranose cholesterolio beveik nėra, jo vaidmenį atlieka steroidas kardiolipinas (angl. cardiolipin).
Svarbiausia cholesterolio funkcija membranoje – reikiamo skystumo palaikymas. Jei membrana išskystų per daug – negalėtų efektyviai atlikti apsaugos, selektyvaus pralaidumo funkcijų; cholesterolis membraną sutirština iki reikiamo lygio. Skirtingoms ląstelėms reikalingos skirtingo skystumo membranos, todėl jos turi nevienodą kiekį cholesterolio.
Membraniniai išsikišimai
Kai kurių ląstelių membranoms būdingi įvairūs išsikišimai, suteikiantys judėjimo, specializuotos mitybos ar kitas specifines funkcijas. Šie dariniai suformuojami daugiausia citoskeletinio baltymo aktino dėka. Skirtingos ląstelės turi skirtingas membranines ataugas, kurių pagrindinės yra pseudopodijos (angl. pseudopodia), lamelipodijos (angl. lamellipodia) ir filopodijos (angl. filopodia). Tarpusavyje šie dariniai skiriasi vidinio aktino siūlų struktūra ir išsidėstymu. Blakstienėlės ir žiuželiai – panašios kilmės membraniniai dariniai, laikomi judėjimo organelė. Tuo tarpu, mikrogaureliai – membraniniai išsikišimai, atliekantys visai kitokią, tačiau labai svarbią kai kurioms ląstelėms, pernašos funkciją.

Specializuotos ataugos
Visų šių ataugų pagrindas – vienaip ar kitaip išsidėstę aktino filamentai. Jų polimerizacija ir disociacija suteikia šiems dariniams galimybę judėti.
Pseudopodijos
Pseudopodijos – laikini eukariotinių ląstelių išsikišimai. Pseudopodijas formuoja amebos ir neutrofilai. Ląstelės, turinčios pseudopodijas, vadinamos ameboidinėmis.
Pseudopodijos, panašiai kaip blakstienėlės ir žiuželiai, ląstelei padeda judėti ir formuojasi dalyvaujant aktino filamentams.
Lamelipodijos
Lamelipodijas turi epitelio ląstelės ir fibroblastai. Šie dariniai prisitaikę ląstelei suteikti judrumo funkciją. Paprastai lamelipodijos randamos ypač greitose ląstelėse, pvz., žuvų ar varlių epidermio ląstelėse, kurios pritaikytos greitam žaizdų užgydimui. Be to, manoma, kad lamelipodijos yra svarbus veiksnys ląstelių migracijos procese.
Lamelipodijas turinčios ląstelės paprastai šliaužia įvairiais paviršiais (pvz., kitų epitelinio audinio ląstelių sluoksniu) paskui jas tempiančius aktininius išsikišimus.
Taip pat randami iš lamelopodijų išeinantys išsišakojimai, vadinami mikro spygliukais (angl. microspikes). Šie dariniai sudaro filopodijas.
Filopodijos
Filopodijas formuoja kai kurie fibroblastai, reikalingi užtraukti žaizdoms, ir ilgus išsikišimus turinčios ląstelės. Pvz., neuronai vystymosi metu formuoja filopodijas, kurių pagrindinė funkcija yra „ištirti aplinką“ ir reikiamose vietose sudaryti sinapses.
Filopodijas sudaro aktino siūlų pluoštas, kuris suformuoja ilgą išsikišimą, primenantį epitelio ląstelių mikrogaurelius, tačiau ilgesnį ir plonesnį, be to, labiau kintantį.
Kartu su lamelipodijomis filopodijos leidžia ląstelei judėti savo galūnėlėmis kabindamosi prie paviršių ir tempdami paskui save ląstelę.
Kitos judėjimo organelės
Blakstienėlės

Blakstienėlės (angl. cilia) – plaukelius primentys eukariotinių ląstelių paviršiaus dariniai. Blakstienėlės sudarytos iš mikrovamzdelių ir su jais susijusių motorinių baltymų. Dėl šios sandaros, blakstienėlės geba judėti ir taip judinti ląstelę arba „varyti“ įvairius skysčius palei ląstelės paviršių.
Blakstienėlės randamos and daugelio plaukiojančių vienaląsčių organizmų, be to, žinduolių trachėją išklojančiose epitelio ląstelėse, kur šie plaukeliai nuolat varo gleives su prikibusiais svetimkūniais ir mikroorganizmais į kvėpavimo takų viršų, ir kiaušintakiuose, kur jie padeda judėti kiaušinėliui.
Žiuželiai
Žiuželiai (angl. flagella) – panašios į blakstienėles struktūros dariniai, padedantys ląstelėms judėti. Žiuželius turi kai kurie dumbliai, žinduolių spermatozoidai.
Ląstelė gali turėti vieną arba daugiau žiuželių.
Eukariotinių ląstelių žiuželiai yra pailgintos blakstienėlės, tačiau bakterijų žiuželiai yra trumpesni ir visai kitokios struktūros.
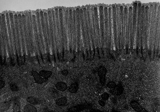
Membraniniai išlinkimai (mikrogaureliai)

Mikrogaureliai (angl. microvilli) – aktino filamentus turintys membraniniai išsikišimai. Šie dariniai savo sandara panašūs į filopodijas, tačiau yra trumpesni ir atlieka kitokią funkciją. Daugiausia mikrogaurelių randama gyvūnų žarnyne, kur vyksta aktyvi vandens ir kitų medžiagų absorbcija.
Mikrogaureliai ypatingi tuo, jog stipriai padidina ląstelių bendrą paviršiaus plotą, per kurį vyksta medžiagų įsiurbimas. Plonosios žarnos sienelėje esančių ląstelių mikrogaureliai yra būtini efektyviai medžiagų pernašai vykdyti.
Membraninės organelės: membranų ypatybės
Terminas plazminė membrana dažniausiai vartojamas tik išoriniam ląstelę supančiam fosfolipidų sluoksniui apibūdinti. Tačiau labai panašios sudėties yra ir eukariotų organelės supančios membranos. Apibendrintai išorinė ir visos vidinių organelių membranos vadinamos ląstelės membranomis; visų jų pagrindinė funkcija ta pati – atskirti vidinius ląstelės ir organelių skysčius nuo aplinkos. Be to, visos jos turi panašių savybių: panašiai vykdoma medžiagų pernaša, atpažinimo procesai ir tt.
Nors skirtingos membranos turi skirtingų fosfolipidų, vienos turi daugiau ar mažiau tam tikrų komponentų nei kitos, tačiau pagrindinės membraną sudarančios dalys išlieka tos pačios.
Dvimembranės organelės
Nors daugumą ląstelės organelių supa tik viena membrana, kai kurie jų turi net po du fosfolipidų dvisluoksnius. Tokia sandara šioms organelėms suteikia galimybę vykdyti labai specializuotas funkcijas, dažnai ypač svarbias ląstelei (kaip energijos virsmai ar procesai, susiję su genetinės informacijos perdavimu).

Branduolys – vienas svarbiausių ląstelės organodų. Dvigubos membranos dėka branduolys (per tarpmembraninę ertmę) ribojasi su endoplazminiu tinklu. Šių organelių bendradarbiavimas svarbus efektyviai baltymų sintezei ir pernašai, kas turi įtakos visai ląstelės veiklai, vykti.
Poros, sudarytos iš baltymų porinų, – vienas iš išskirtinių branduolio membranos požymių. Šie dariniai savo funkcija primena visose membranose esančius transporto baltymus, tačiau skiriasi tuo, jog yra sudarytos ne iš vieno, o iš daugelio baltymų ir yra labai specializuotos ir tvarkingos struktūros. Nors šių porų veikimo mechanizmas skiriasi nuo įprastų membraninių baltymų, tačiau pagrindinė funkcija ta pati – pernešti stambias molekules (tarp jų ir baltymus) per hidrofobinę membraną.

Mitochondrijos ir chloroplastai – taip pat dvimembraniai, ypatingą reikšmę ląstelėms turinčios organelės. Jie atsakingi už energijos virsmus, būtinus gyvybei egzistuoti. Dėl šiuose organelėse vykdomų unikalių procesų jų membranos turi specifinių baltymų, fosfolipidų ir kitų medžiagų, reikalingų tam tikrų medžiagų (ATP, glikolizės produktai ir t. t.) pernašai. Mitochondrijose taip pat gausu ypatingos struktūros baltyminių porų, kurios savo sandara primena branduolio poras. Šie dariniai labai laidūs įvairioms medžiagoms, todėl svarbūs greitam apsikeitimui reagentais ir reakcijų produktais.
Mitochondrijų membranose gausu kardiolipino (angl. cardiolipin) – steroido naudojamo membranos skystumui palaikyti vietoj cholesterolio.
Dvimembranių organelių membranos taip pat skiriasi viena nuo kitos – turi skirtingų nešiklių, nes turi transportuoti skirtingas medžiagas, skiriasi paviršiaus plotu – pavyzdžiui, mitochondrijos vidinė membrana yra gerokai didesnė už išorinę, nes turi daug vingių, sudarančių kristas. Tokia struktūra reikalinga efektyviai energijos sintezei – mitochondrijos vidinėje membranoje gausu baltyminių kompleksų, atpalaiduojančių energiją ir gaminančių ATP; kuo didesnis paviršiaus plotas, tuo daugiau tokių baltymų gali įsiterpti į membraną.
Vienmembranės organelės
Visos kitos ląstelės organelės: endoplazminis tinklas, Goldžio kompleksas, lizosomos, peroksisomos – vienmembraniai. Šių organelių membranos gana panašios, nėra labai specializuotas, tačiau turi ir tik joms būdingų baltymų ir kitų medžiagų.
Iš kitų išsiskiria endoplazminio tinklo membrana, nusėta ribosomomis. Ribosomos nėra membranos sudedamoji dalis; endoplazminio tinklo membranose esama ypatingų baltyminių receptorių, kurie reguliuoja sintetinamų baltymų nukreipimą tiesiai į šią organelę. Dar nebaigtas sintetinti baltymas prisikabina prie receptoriaus ir priverčia sintezę vykdančią ribosomą su visais savo komponentais „nusėsti“ ant membranos. Ši būsena tik laikina – transliacijai pasibaigus ribosoma laisva grįžta į citoplazmą.